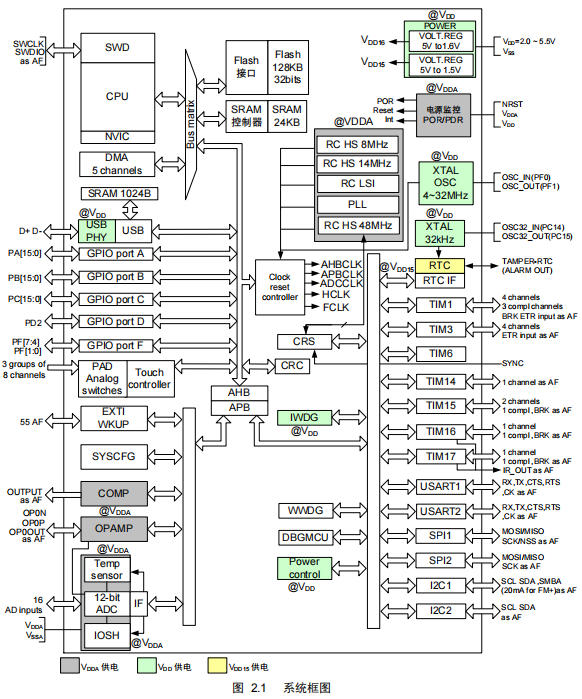
當智能硬件走向“高算力+低功耗+豐富外設”時代,8位機常常力不從心,而主流32位MCU又面臨成本敏感、封裝龐大、開發復雜等痛點。輝芒微推出的 FT32F072xx 系列(含 RBAT7/CBAT7/KBBT7/KBBU7/KBCW7 等子型號)恰逢其時:Cortex-M0 內核跑 96 MHz,2.0-5.5 V 超寬壓,24×Touch Key、1×USB 2.0、雙運放、四比較器、1 Msps ADC 全部塞進最小 4 mm×4 mm QFN32。一顆芯片即可覆蓋家電控制、工業節點、便攜測量、健康美容、USB Dongle 等海量應用,且現場 BOM 成本與 8 位機幾乎持平——“加量不加價”的升級方案,由此展開。
| 子型號 | Flash/SRAM | GPIO | ADC 通道 | 封裝 | 特色應用 |
|---|---|---|---|---|---|
| RBAT7 | 128 k/24 k | 51 | 16 ext+6 int | LQFP64 | 高 IO 數,工業 HMI |
| CBAT7 | 128 k/24 k | 37 | 10 ext+6 int | LQFP48 | 平衡型,伺服控制 |
| KBBT7 | 128 k/24 k | 25 | 10 ext+6 int | LQFP32 | 小體積,家電主板 |
| KBBU7 | 128 k/24 k | 25 | 10 ext+6 int | QFN32-B | 超薄無線 Dongle |
| KBCW7 | 128 k/24 k | 25 | 10 ext+6 int | QFN32-C | 底部散熱焊盤,美容儀 |
→ 全系硬件兼容:外設地址、引腳排列、寄存器位域保持一致,工程師可“大封裝調試→小封裝量產”,無需修改原理圖。



從 64 腳的工業 HMI 到 4 mm×4 mm 的便攜美妝,FT32F072xx 用一顆芯片覆蓋了“性能—成本—體積”黃金三角:Cortex-M0 跑 96 MHz 讓算法游刃有余,2.0-5.5 V 超寬壓讓電源設計極簡,豐富模擬/電機/USB 外設讓外圍 BOM 一減再減。深圳三佛科技提供技術支持,批量價格有優勢~