在現代電子設備中,電源管理芯片是確保設備穩定運行的核心組件。MD5130作為一款高效能的電源管理芯片,被廣泛應用于各種電子設備中。本文將詳細介紹MD5130的技術規格和典型應用,為電子工程師和設計者提供全面的技術參考。
MD5130是一款集成了多種電源管理功能的芯片,它能夠提供高效的電壓轉換、穩定的電流輸出以及全面的保護機制。這款芯片的設計旨在滿足現代電子設備對于電源管理的嚴格要求,包括高效率、低功耗和高可靠性。

MD5130的技術規格是評估其適用性和性能的關鍵因素。以下是MD5130的一些主要技術參數:
輸入電壓范圍:MD5130能夠接受較寬范圍的輸入電壓,這使得它適用于多種電源環境。
輸出電壓和電流:該芯片能夠提供穩定的輸出電壓和電流,滿足不同電子組件的需求。
轉換效率:MD5130以其高轉換效率著稱,這意味著在電源轉換過程中能量損耗較低,從而提高了整體能效。
保護功能:包括過流保護、過熱保護和短路保護等,確保在異常情況下能夠保護電路不受損害。
工作溫度范圍:MD5130能夠在較寬的溫度范圍內穩定工作,適應不同的環境條件。
封裝類型:提供多種封裝選項,以適應不同的電路板設計和空間限制。

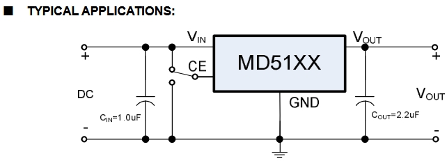
MD5130的典型應用展示了其在實際電子設備中的廣泛用途:
智能手機和平板電腦:在這些設備中,MD5130用于管理電池充電和放電過程,確保電池的安全性和延長電池壽命。
筆記本電腦和臺式機:MD5130可以用于電源適配器,提供穩定的電源供應并管理多個組件的電源需求。
LED照明系統:在LED照明中,MD5130用于驅動LED燈,提供穩定的電流輸出,確保照明效果。
工業控制設備:在工業應用中,MD5130的高可靠性和保護功能使其成為電源管理的理想選擇。
汽車電子:在汽車電子系統中,MD5130用于管理車載電子設備的電源,如信息娛樂系統和導航系統。
MD5130作為一款高效能的電源管理芯片,以其出色的技術規格和廣泛的應用領域,在電子行業中占據了重要地位。無論是在消費電子、工業控制還是汽車電子領域,MD5130都能提供穩定可靠的電源管理解決方案。